saa6579 что за микросхема

Saa6579 что за микросхема

Доброе время суток!
Помогите в ремонте муз. центра!
Попросили меня отремонтировать данный агрегат.
На первый взгляд было все в полном порядке, он запускался, реагировал на нажатие всех кнопок, но ничнго не происходило.
Нашел неисправность в шлейфе управления

отремонтировал.
Заработали диски, при включении стали слышны звуки, того, что он запускается. Но кассеты не включаются.
Стал искать дальше.
Нашел такую неисправность, что магнитное реле на кассетах очень сильно греется, палец обжог.
Немного поработало и пошел дым, сгорел транзистор, на схеме он вот

и почему так греется магнитное реле?

Вообщем дело такое, сопротивление обмотки реле 24 ома, что на одном, что на другом.
Отключил реле, транзистор перестал греется.
Не могу понят, принцип работы этой системы. Когда включаешь в розетку, то реле работает, оно делает движение, что как бы вроде поднимает головку и опускает.
При нажатии на плей ничего не происходит, а реле как бы под нагрузкой остается, что там управляет этими реле?
Схему изучаю, не не могу найти решение.
Получается реле просто не выключает какой-то транзистор, только какой транзистор за это отвечает?
причем два реле замкнуто постоянно.

P.S. Времени много нет заниматься этим агрегатом, сижу по вечерам, по пару часиков. И вчера вообще перестало все работать, думаю жеееесть, сломано было одно, теперь всему ХАНА, начал искать, на дежурки предохранитель выбил транзистор, все заменил, теперь разобрал все, что связанно с кассетами. Честно сказать, тут уйма болтов, шлейфов, проводов, все ужасно не удобно )))

На реле во включенном состоянии 7.3 в. Как я понимаю, такого быть не должно, на реле должны подаваться сигналы, после того как ты нажимаешь на кнопки.


Этого я не проверял, но питание на нем постоянное. Этого не должно быть, скорее всего!?

У меня мысли, что микросхема вышла из строя. Она скорей всего и подает сигнал на реле, либо транзисторы что идут к ней. SOL-A и SOL-B это сигналы от 7618 BC847B и 7619 BC847В, в верном направлении я размышляю?

Снова всем привет! Наконец-то пришла мне микросхема (Radio Data System (RDS) demodulator SAA6579Т).
Она была в коротком, кассеты не работали.
Сменив ее, собрав быстро я понял, что кассеты заработали, подумал, что все отлично и оставил на потом, старую микруху выкинул.
Вчера решил все собрать окончательно но, оказалось, что не работает.
Начал искать причину, мафон включался, загорались все индикаторы подсветки, а экран ничего не показывал.
Нашел неисправный резистор по питанию, заменил, экран заработал.
Проблема теперь такая, все работает но нет звука.
Эквалайзер показывает что на входе есть сигналы, питание усилителя работает.
Пред (TDA7468) работает, но на него нет звукового сигнала.
Вот я и не могу понять, RDS (SAA6579Т) который я поменял, микросхема отличалась от схемы, так как я не смог найти ту, которая именно там стояла, нашел аналог, точнее не аналог, а что была на схеме указана. А на схеме стоит SAA6579Т, а старую выкинул и не помню какая она была.
Возможно, что из за нее такое происходит?
Ослика не имею, сигнал сложно проверить. проверяю наушником ))))
И еще перестали работать CD диски. Он пишет, что читает диск, но диск не крутит.
При включении не может автоматически настроится. Берет диск, пишет нажать плей и ничего не происходит, а АПП уходит опять на автоматическую настройку!

Читайте также:  Что значит перевернутая руна одал

Источник

SAA6579T/V1,518

SAA6579T/V1,518 Поставщик

Поставщик

SAA6579T/V1,518 Связанный поиск

SAA6579T/V1,518 Усилитель звуковой частоты Характеристики

IC DEMODULATOR RDS 16SOIC

RF Demodulator IC 16-SOIC (0.295″, 7.50mm Width)

Digi-Key:
RF DEMODULATOR IC 16SO

Mouser:
Audio Amplifiers RADIO DATA SYSTEMS

Arrow:
Radio Data System (Rds) Demodulator 16-Pin SO T/R

SAA6579T/V1,518 Datasheet PDF

    SAA6579T/V1,518 Datasheet PDF SAA6579 Radio Data System (RDS) demodulator 16 Страница, 80 KB 1996-06-20 Посмотреть SAA6579T/V1,518 Другой технические данные PDF 12 Страница, 671 KB 2012-01-11 Посмотреть

SAA6579T/V1,518 Аналоги More replace part

SAA6579T/V1,518 Сопутствующие товары

SAA6579T/V1,518 Связанный поиск

SAA6579T/V1,518 параметры(SOT-162), SAA6579T/V1,518 datasheet на русском PDF и SAA6579T/V1,518 схема включения, Скачать вручную(16,80KB). Ты можешь использовать SAA6579T/V1,518 даташит на русском поиск датчик SAA6579T/V1,518 характеристики схема подключения и SAA6579T/V1,518 Усилитель звуковой частоты характеристики. понимать SAA6579T/V1,518 схема включения как работает и SAA6579T/V1,518 Описание какие на русском. SAA6579T/V1,518 чем заменить: SAA6579T/V1,518 аналог отечественный и SAA6579T/V1,518 аналоги. FindIC Может предоставить SAA6579T/V1,518 купить, SAA6579T/V1,518 reference manual на русском.

Источник

Saa6579 что за микросхема

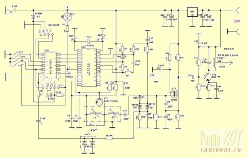
Синтезатор LC72131 на 27 МГц.

Автор: dock4
Опубликовано 16.04.2021
Создано при помощи КотоРед.

Синтезатор LC72131 на 27 МГц.

В своей конструкции я решил реализовать:

Рис 1
Печатная плата выполнена из двухстороннего фольгированного стеклотекстолита FR4-1,5mm. Оборотная сторона выполняет функцию общей земли. Нужные отверстия раззенкованы сверлом.
Практически все основные элементы я покупал на АлиЭкспрессе. Катушки индуктивности я использовал такие:

L1 и L2 содержат по 8 витков провода ПЭЛ 0,25.
L3 намотана этим же проводом на ВЧ бинокле 90ВНП6,2х3х5 и содержит четыре витка с отводом от середины. Катушки L1 и L2 поместил в экран из медной фольги. Внутреннее пространство залил воском.

Отключаем питание. После этого отпаиваем подстроечный резистор и восстанавливаем на место R10. При включении питания мы наблюдаем включение частоты RX. Кнопкой PTT переключаем на частоту передачи. По частотомеру подстроечным конденсатором С8 подгоняем частоту.

В заключении хочу привести команды управления процессором для тех радиолюбителей, которые разбираются в программировании. На этой основе можно составить свой алгоритм, прописать свои частоты, портировать на другие процессоры. Код написан на языке Си. Свой проект я собирал в компиляторе MPLAB IDE v8.92
Все значения согласно Datasheet на LC72131.

//**************************************
unsigned int freqTX=27205;
// все порты конфигурировать на вывод!
#define DA X // Свой порт1
#define CL X //Свой порт2
#define CE X //Свой порт3
// Отправка в синтезатор
void SendByte(unsigned char byte) <
for (i = 0; i > 1;
// __delay_us(15);
DA = 0;
>
>;
// Функция установки частоты передачи
void Send_TX(void)<
unsigned int divisor;
divisor = freqTX /5;
CE=0;
SendByte(0b00101000); // adress(82h)
__delay_us(5);
CE=1;
__delay_us(5);
SendByte(divisor & 0x00FF);
SendByte((divisor & 0xFF00)>>8);
SendByte(0b10100001); //R3_R2_R1_R0_XS_CTE_DVS_SNS
__delay_us(2);
CE=0;
__delay_us(5);
SendByte(0b00101001); // adress(92h)
__delay_us(5);
CE=1;
__delay_us(5);
SendByte(0b01110000); //BO4_BO3_BO2_BO1_IO1_IOC2_IOC1 1-on 0-off
SendByte(0b00000000); //DZ1_DZ0_UL1_UL0_DOC2_DOC1_DOC0_DNC
SendByte(0b00000000); //TEST2_TEST1_TEST0_TFS_DLC_TBC_GT1_GT0
__delay_us(2);
CE=0;
>;
// Функция установки частоты приема
void Send_RX(void)<
freqRX=(freqTX+10700); //10.7mhz
unsigned int divisor;
divisor = freqRX /5;
CE=0;
SendByte(0b00101000); // adress(82h)
__delay_us(5);
CE=1;
__delay_us(5);
SendByte(divisor & 0x00FF);
SendByte((divisor & 0xFF00)>>8);
SendByte(0b10100001); //R3_R2_R1_R0_XS_CTE_DVS_SNS
__delay_us(2);
CE=0;
__delay_us(5);
SendByte(0b00101001); // adress(92h)
__delay_us(5);
CE=1;
__delay_us(5);
SendByte(0b10100000); //BO4_BO3_BO2_BO1_IO1_IOC2_IOC1 0-on 1-off
SendByte(0b00000000); //DZ1_DZ0_UL1_UL0_DOC2_DOC1_DOC0_DNC
SendByte(0b00000000); //TEST2_TEST1_TEST0_TFS_DLC_TBC_GT1_GT0
__delay_us(2);
CE=0;
>

Источник

Saa6579 что за микросхема

Бесплатная техническая библиотека:
▪ Все статьи А-Я
▪ Энциклопедия радиоэлектроники и электротехники
▪ Новости науки и техники
▪ Архив статей и поиск
▪ Ваши истории из жизни
▪ На досуге
▪ Случайные статьи
▪ Отзывы о сайте

Техническая документация:
▪ Схемы и сервис-мануалы
▪ Книги, журналы, сборники
▪ Справочники
▪ Параметры радиодеталей
▪ Прошивки
▪ Инструкции по эксплуатации
▪ Энциклопедия радиоэлектроники и электротехники

Бесплатный архив статей
(500000 статей в Архиве)

Алфавитный указатель статей в книгах и журналах

Бонусы:
▪ Ваши истории
▪ Викторина онлайн
▪ Загадки для взрослых и детей
▪ Знаете ли Вы, что.
▪ Зрительные иллюзии
▪ Веселые задачки
▪ Каталог Вивасан
▪ Палиндромы
▪ Сборка кубика Рубика
▪ Форумы
▪ Голосования
▪ Карта сайта

Дизайн и поддержка:
Александр Кузнецов

Техническое обеспечение:
Михаил Булах

Программирование:
Данил Мончукин

Маркетинг:
Татьяна Анастасьева

При использовании материалов сайта обязательна ссылка на https://www.diagram.com.ua


сделано в Украине

СПРАВОЧНИК
Документация на микросхемы и транзисторы

Перейти в раздел Бесплатной технической библиотеки для скачивания справочников по зарубежным микросхемам и транзисторам можно здесь.

Содержания справочников по сериям:

Источник

Инженерные решения

В качестве квартирных звонков, а также различных звуковых оповещателей аварийного протекания контролируемых процессов можно использовать не только узкоспециализированные изделия или электронные узлы, но и сигнальные модули от устаревшей бытовой техники.

Как-то при разборке на запасные части старого импортного телефонного аппарата производства фирмы Siemens, выпущенного в период 1985–1988 гг., в руки попал модуль вызывного устройства, которое было выполнено на отдельной плате. Этот модуль было решено не разбирать, а сохранить до «лучших времен». Спустя несколько лет было решено проверить работоспособность вызывного узла от этого телефонного аппарата. Задуманное увенчалось успехом, после чего модуль телефонного звонка удалось перепрофилировать для работы от сети переменного тока 220 В.

Вызывное устройство собрано с применением интегральной микросхемы типа SAA1094-CH, выпущенной во Франции. Документацию на эту микросхему найти не удалось, но было найдено описание аналогичной микросхемы типа SAA1094-2, структурный состав которой показан на рис.1.

Принципиальная схема модернизированного звонка показана на рис.2. Устройство отличается очень громким, очень чистым трехтональным звучанием штатного пьезокерамического излучателя звука, возможностями регулировки громкости и частоты смены тона. Часть принципиальной схемы, обведенная жирной линией, – модуль телефонного звонка, остальная часть представляет надстройку для работы звонка от сети переменного тока 220 В / 50 Гц. В схему звонка не вносились какие-либо изменения. Обозначения на схеме звонка соответствуют обозначениям на монтажной плате. Переменным резистором P1.1 регулируют громкость, с помощью P1.2 регулируют частоту смены тона. Назначение установленного производителем стабилитрона V1 выяснить не удалось.

Звонок был дополнен узлом световой индикации на сверхъярких светодиодах белого цвета свечения. Светодиоды подключены к выходу мостового выпрямителя VD1. Резисторы R6, R7 включены так, чтобы уменьшить вероятность поражения электрическим током при повреждении корпуса кнопки или повышенной влажности. Эти резисторы понижают ток через встроенный в микросхему мостовой выпрямитель до оптимального. Для еще большей безопасности можно изготовить узел коммутации напряжения питания по схеме из [1]. Вид на монтаж устройства показан на фото.

В устройстве использованы светодиоды с повышенной светоотдачей белого цвета свечения типа RL30-WH744D. Их можно заменить, например, RL50-WH744D, RL80-WH744D (белые) или RL30-CB744D, RL50-CB744D, RL80-CB744D (синие). При выборе светодиодов учитывайте, что светодиоды с более крупной линзой имеют более высокий КПД оптической системы. При желании количество последовательно включенных светодиодов можно увеличить до 10–20. Диодный мост подойдет практически любого типа на ток не менее 20 мА и обратное напряжение не ниже суммарного прямого напряжения светодиодов. Резисторы R6, R7 мощностью 2 Вт типа МЛТ, С2-23, С2-33 или аналогичные импортные.

При самостоятельной сборке сигнального узла в качестве стабилитрона V1 можно установить КС409А, КС156А, 1N4734A. На месте V3 может работать стабилитрон типа 1N4744A, 1N5352 или КС509А. Диод V2 можно попробовать заменить 1N4148, КД522. Конденсатор C1 может быть типа К73-17, К73-24 на рабочее напряжение не ниже 160 В емкостью 0,01 мкФ или типа К78-2 такой же емкости. На месте резонатора G1 можно применить пьезокерамический или кварцевый на 450…500 кГц, например, изъятый из радиоприемника пьезокерамический фильтр или аналогичный резонатор из устройства для чтения гибких магнитных дисков. Вместо пьезокерамического излучателя звука диаметром 50 мм можно попробовать использовать ЗП-1 или аналогичные.

Внимание!
При настройке и эксплуатации конструкции учитывайте, что все ее элементы находятся под напряжением сети переменного тока 220 В / 50 Гц. Соблюдайте необходимые меры безопасности.

Для полного отключения звонка, например, в ночное время, параллельно конденсатору C1 можно установить подходящий переключатель, при замыкании контактов которого звуковой сигнал отсутствует, но светодиоды включены.

Литература

Источник

Читайте также:  У мамы проблемы с головой что делать
Обучающий онлайн портал
Поставщик Страна Наличии Поставки (день) MOQ Валюта 1+ 10+ 100+ 1K+ 10K+ Купить